Optical Node MW-2002(OR) & MW-2002(ORS)                               

 

 

 


1.      Features

 

862MHz two-way broadband platform

Plug-in slope control circuit, optional split frequency

Up-stream upgradeable (with reverse transmitting path)

Optional Reverse Transmitting pad,  easily upgrading.

PIN diode (Philips receiving module optional), superior reliability and performance

One GaAs hybrids for post-stage amplifier use, with high output level ( >105dBuV for 1 output port)

One or two RF output ports optional

With separate 5~200 up-stream

Easy maintenance, with –20dB test point, LED display for optical power indication

Optical power monitoring and high input power alarming 

High efficiency Switch mode power supply

 

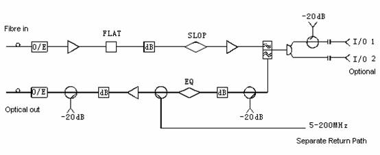
2.      Block Diagram

 

3. Specifications (Optical)

 

No.

Items

Specifications

 

1

Bandwidth

1290-1600nm

 

2

Optical Input Return Losses

>45dB

 

3

Spectral Sensitivity

0.85A/W(1310nm typical)

 

4

Maximum Optical Input Power

2mW3dBm

 

5

Optical Fiber Type

Mono (9/125mm)

 

6

Fiber Connector

FC/APC or SC/APC

 

7

Return Path Optical Power

1mW or 2mW

 

8

Return Path Optical Module

FP 1mW or DFB 2mW

 

9

Return Path Optical Wavelength

1310nm or1550nm

 

10

Voltage at test point of Optical Receiving Power

1V/mW

 

11

Voltage at test point of Optical Transmitting Power

1V/mW

 

12

Voltage at test point of Current of Laser

0.03V/mA

 

 

Optical Node MW-2002(OR) & MW-2002(ORS)                               

 

 

 


4.      Specifications

 

No.

Items

Specifications

 

1

Frequency Range

5-860MHz

 

2

Flatness

downstream

±0.75dB

 

 

3

 

Output Return Loss

downstream

³16 dB (fH-550MHz)

 

³14 dB (550MHz-860MHz)

upstream

³14 dB (5-200MHz)

4

Split Frequency (fL/fH)

30/46MHz40/52MHz42/54MHz55/70MHz , 65/87MHz, 65/87MHz

 

5

Output Level

105dBmV (102 dBmV for dual output)

0dBm

 

6

 

Link Specifications

    C/N 51dB

 

  C/CTB 65dB

  C/CSO 60dB

7

RF Output Test Point

   -20dB

 

8

Gain Adjustment

0~20dB

 

9

Slope Range

optional

 

10

RF Connector

F type or 5/8² connector

 

11

Input Voltage

~60V(30-90VAC),~220V100-260VAC

 

12

Max.Power Passing

            15A

 

13

DC output Voltage

24V,12V,-12V

 

14

Power consumption

30W

 

15

Dimensions

237 mm*195mm*111mm

 

16

Net Weight

2Kg

 

17

Operating Temperature

-30℃——+60

 

18

Storage Humidity

40%——95%

 

19

Storage Temperature

-40℃——+70

 

20

Operating Humidity

40%——70%

 

 

 

5. Optional Parts

 

Description

Model

Note

Slope Card

MW-SLPC*/*

To improve the linearityslope range 4-12 dB2 dB/ step

Tap output pad

MW-TP/*

Tap output81012 dB

Split Output Pad

MW-SP

Split output

Return Transmitting pad

MW-98DFBT*/*

For upstream

Return Transmitting pad

MW-98FPT*/*

For upstream